加载中...
《大明风华》乔振宇上线!粘上胡子的他终于不美了,结局却很心酸

《大明风华》乔振宇上线!粘上胡子的他终于不美了,结局却很心酸

图片尺寸 640x425
上传时间 2026-03-13 19:18:56

图片链接

缩略图
原图
外链

相关图片

乔振宇:46岁的"老戏骨",长得帅还顾家,娶小8岁娇妻相伴至今

乔振宇:46岁的"老戏骨",长得帅还顾家,娶小8岁娇妻相伴至今

由姚昱竹担任总制片人,张黎监制,张挺执导,汤唯,朱亚文,邓家佳,乔振宇

由姚昱竹担任总制片人,张黎监制,张挺执导,汤唯,朱亚文,邓家佳,乔振宇

大明风华:朱瞻基下线,乔振宇求买船票回来,成为救朱祁镇的主力

大明风华:朱瞻基下线,乔振宇求买船票回来,成为救朱祁镇的主力

《大明风华》x 乔振宇 x 薇诺娜舒敏特护霜 中插广告

《大明风华》x 乔振宇 x 薇诺娜舒敏特护霜 中插广告

【初见*演员介绍】之天涯四美乔振宇

【初见*演员介绍】之天涯四美乔振宇

大明风华徐滨乔振宇约你圣诞节南京一起上潮

大明风华徐滨乔振宇约你圣诞节南京一起上潮

《大明风华》中,乔振宇则诠释了沉稳温暖的谋士徐滨.

《大明风华》中,乔振宇则诠释了沉稳温暖的谋士徐滨.

乔振宇大明风华# 很喜欢今晚当说客的徐滨哥哥 嘴炮技能满点,有理有

乔振宇大明风华# 很喜欢今晚当说客的徐滨哥哥 嘴炮技能满点,有理有

乔振宇大明风华# 很喜欢今晚当说客的徐滨哥哥 嘴炮技能满点,有理有

乔振宇大明风华# 很喜欢今晚当说客的徐滨哥哥 嘴炮技能满点,有理有

我到现在都想不明白大明风华里的造型哪里出了问题

我到现在都想不明白大明风华里的造型哪里出了问题

随机推荐

影楼摄影工作室个人写真服装新款冰雪奇缘主题艺术照泡泡袖短裙21

影楼摄影工作室个人写真服装新款冰雪奇缘主题艺术照泡泡袖短裙21

饭勺面相身上这两个部位越圆好老婆面相娶了是全家的福气

饭勺面相身上这两个部位越圆好老婆面相娶了是全家的福气

缪缪miumiu新款包包

缪缪miumiu新款包包

背影图片男生在路上到不了的地方叫远方

背影图片男生在路上到不了的地方叫远方

陈的荧光字

陈的荧光字

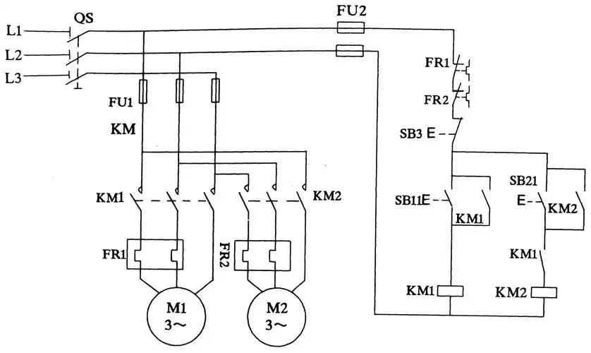
控制电路联锁控制线路实验

控制电路联锁控制线路实验

王者荣耀五神兽

王者荣耀五神兽

问(粤语)

问(粤语)

《龟虽寿》#灵璧石精品 #象形石奇石 #上热门 #黄绿珍珠

《龟虽寿》#灵璧石精品 #象形石奇石 #上热门 #黄绿珍珠

b455星光闪闪夜晚上天空浩瀚星空晚会许愿舞台led背景视频素材vj

b455星光闪闪夜晚上天空浩瀚星空晚会许愿舞台led背景视频素材vj