首页 / 控制电路 / 图片详情
加载中...
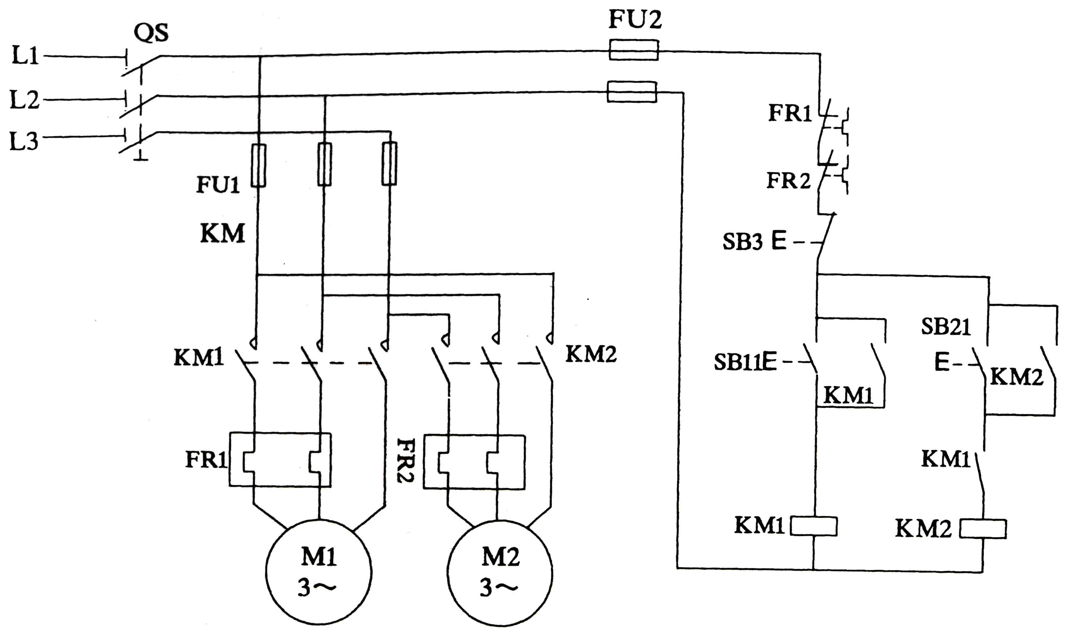
控制电路联锁控制线路实验

控制电路联锁控制线路实验

图片尺寸 3449x2059
上传时间 2026-03-12 15:28:10
关键词 控制电路

图片链接

缩略图
原图
外链

相关图片

单相电动机控制电路

单相电动机控制电路

一处启动与两处停止的电动机控制电路

一处启动与两处停止的电动机控制电路

符号大全 星三角启动原理图 接触器继电器 三相异步电动机控制电路 星

符号大全 星三角启动原理图 接触器继电器 三相异步电动机控制电路 星

无忧文档 所有分类 工程科技 电子/电路 电动机点动控制ppt 三相异步

无忧文档 所有分类 工程科技 电子/电路 电动机点动控制ppt 三相异步

星三角降压启动的压缩机控制电路

星三角降压启动的压缩机控制电路

三相电机自动往返行程控制线路电路图解 有些生产机械,如万能铣床

三相电机自动往返行程控制线路电路图解 有些生产机械,如万能铣床

试设计一个控制一台电动机的电路,要求:1.可正.反转;2.正.反向点动;3.

试设计一个控制一台电动机的电路,要求:1.可正.反转;2.正.反向点动;3.

星三角启动 详细接线图,#星三角启动 控制电路!#星角降压 - 抖音

星三角启动 详细接线图,#星三角启动 控制电路!#星角降压 - 抖音

y-△降压启动控制电路分析  y-△降压启动是异步电动机的一种降压启动

y-△降压启动控制电路分析 y-△降压启动是异步电动机的一种降压启动

搅拌机的电气控制电路

搅拌机的电气控制电路

随机推荐

极限特工鲁比·罗丝

极限特工鲁比·罗丝

微秃女孩必学→碎发发型修剪法_鬓角

微秃女孩必学→碎发发型修剪法_鬓角

肖宇梁

肖宇梁

a001p站画师上倉エク画集q版可爱动漫美少女插画绘画服饰临摹素材

a001p站画师上倉エク画集q版可爱动漫美少女插画绘画服饰临摹素材

跟拍摄影 #秀禾服新娘造型 #真实客照 #中式嫁衣 #美出 - 抖音

跟拍摄影 #秀禾服新娘造型 #真实客照 #中式嫁衣 #美出 - 抖音

空白翻动画画画火柴人格斗翻动书连环翻本纸本子儿童翻页手翻

空白翻动画画画火柴人格斗翻动书连环翻本纸本子儿童翻页手翻

林俊杰退圈避风头?不知真假理性吃瓜

林俊杰退圈避风头?不知真假理性吃瓜

男生眼里女生超气质的5款短发时髦又不显老太适合春天剪

男生眼里女生超气质的5款短发时髦又不显老太适合春天剪

双金时代fnaf

双金时代fnaf

组图:伍咏薇短发造型傲娇范 自嘲九十多岁怕与年轻主持人有代沟

组图:伍咏薇短发造型傲娇范 自嘲九十多岁怕与年轻主持人有代沟