加载中...
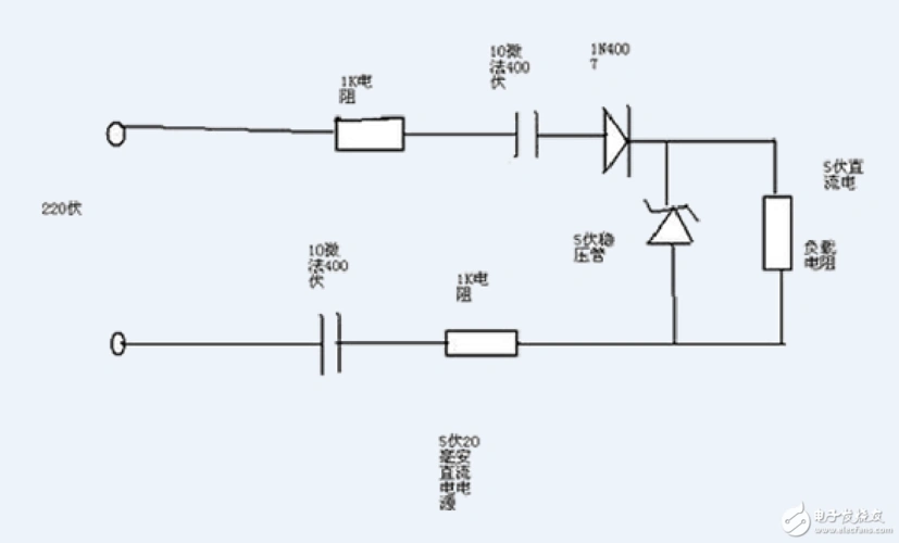
几种常用的非隔离ac-dc电源芯片降压电路,新手必读!

几种常用的非隔离ac-dc电源芯片降压电路,新手必读!

图片尺寸 1400x867
上传时间 2026-03-18 00:43:03

图片链接

缩略图
原图
外链

相关图片

输出电压可调ac-dc转换电路

输出电压可调ac-dc转换电路

在用lm2576将ac220v变dc5v电路中,整流桥负极接哪?

在用lm2576将ac220v变dc5v电路中,整流桥负极接哪?

在ac220v电路中,当电流超过2.5a时会自动跳闸.低于2.5a时正常通电.

在ac220v电路中,当电流超过2.5a时会自动跳闸.低于2.5a时正常通电.

这是最简单的了,一共三只元件,两只电解电容,一块稳压集成电路,对本案

这是最简单的了,一共三只元件,两只电解电容,一块稳压集成电路,对本案

求助,ac-dc芯片,220v转5v dc 2a,嵌入到产品中,外围尽量少.

求助,ac-dc芯片,220v转5v dc 2a,嵌入到产品中,外围尽量少.

ac220v稳压至dc5v电路

ac220v稳压至dc5v电路

220v转5v电路原理图

220v转5v电路原理图

12v稳压电源电路图

12v稳压电源电路图

ac220转dc5 求一简单电路图

ac220转dc5 求一简单电路图

非隔离220v转5v应用方案tt119

非隔离220v转5v应用方案tt119

随机推荐

我的前半生薇薇安第几集出现她跟贺涵是什么关系

我的前半生薇薇安第几集出现她跟贺涵是什么关系

《中国好声音》强势回归,导师中没有了那英你会觉得遗憾吗_周杰伦

《中国好声音》强势回归,导师中没有了那英你会觉得遗憾吗_周杰伦

夏天来了,在家里自己做雪糕,你学了会嘛?准备新鲜草莓,洗净切 - 抖音

夏天来了,在家里自己做雪糕,你学了会嘛?准备新鲜草莓,洗净切 - 抖音

战国宣化上谷玛瑙绿皮皮蛋开口鸡油原石明料摆件

战国宣化上谷玛瑙绿皮皮蛋开口鸡油原石明料摆件

为啥苏联空军在苏德战争初期,不是德国空军的对手?只因被打残?

为啥苏联空军在苏德战争初期,不是德国空军的对手?只因被打残?

16000的腰腹环吸姐妹们觉得贵吗

16000的腰腹环吸姐妹们觉得贵吗

发朋友圈挽留女朋友的句子挽回女朋友该怎么发朋友圈

发朋友圈挽留女朋友的句子挽回女朋友该怎么发朋友圈

黑色纯文字头像霸气高清好看的黑色文字图片霸气头像精选

黑色纯文字头像霸气高清好看的黑色文字图片霸气头像精选

鬼刀-小绿 #国漫# #鬼刀# #4月创作打卡挑战赛

鬼刀-小绿 #国漫# #鬼刀# #4月创作打卡挑战赛

古代盛行近亲结婚但是很少生出智障儿看到原因后你们大概不信

古代盛行近亲结婚但是很少生出智障儿看到原因后你们大概不信