加载中...
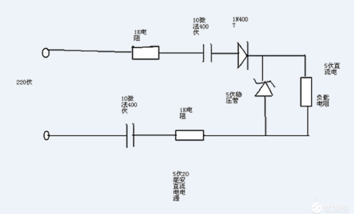
非隔离220v转5v应用方案tt119

非隔离220v转5v应用方案tt119

图片尺寸 1130x683
上传时间 2026-03-18 00:43:03

图片链接

缩略图
原图
外链

相关图片

dc24v转dc5v直流电源,求指点 - 电源论坛_电源技术

dc24v转dc5v直流电源,求指点 - 电源论坛_电源技术

在用lm2576将ac220v变dc5v电路中,整流桥负极接哪?

在用lm2576将ac220v变dc5v电路中,整流桥负极接哪?

在ac220v电路中,当电流超过2.5a时会自动跳闸.低于2.5a时正常通电.

在ac220v电路中,当电流超过2.5a时会自动跳闸.低于2.5a时正常通电.

220v转5v开关电源电路500ma可行

220v转5v开关电源电路500ma可行

是我们的市电ac220v电压经过了一个保险丝和压敏电阻送到了整流桥电路

是我们的市电ac220v电压经过了一个保险丝和压敏电阻送到了整流桥电路

求助,ac-dc芯片,220v转5v dc 2a,嵌入到产品中,外围尽量少.

求助,ac-dc芯片,220v转5v dc 2a,嵌入到产品中,外围尽量少.

交流220v转直流5v什么方案最简单稳定或者dc12v转dc5v

交流220v转直流5v什么方案最简单稳定或者dc12v转dc5v

220v转5v电路原理图

220v转5v电路原理图

电气性能主要芯片:lm393,mq-3气体传感器输入电压:dc5v 功耗(电流)

电气性能主要芯片:lm393,mq-3气体传感器输入电压:dc5v 功耗(电流)

12v稳压电源电路图

12v稳压电源电路图

随机推荐

黄家驹怎么出意外的(音乐奇才黄家驹意外死亡真相)

黄家驹怎么出意外的(音乐奇才黄家驹意外死亡真相)

我们为您提供二两白酒的优质评价,包括二两白酒商品评价,晒单,百万

我们为您提供二两白酒的优质评价,包括二两白酒商品评价,晒单,百万

天涯四美——乔振宇 年轻时候的乔振宇和林志颖有点像,并且比林志颖高

天涯四美——乔振宇 年轻时候的乔振宇和林志颖有点像,并且比林志颖高

景德镇市人大副主任史晓莲调研樟树坑水质保护工作

景德镇市人大副主任史晓莲调研樟树坑水质保护工作

绿色渐变个人简历介绍ppt模板课件_第1页

绿色渐变个人简历介绍ppt模板课件_第1页

一组用起来很有感觉的电脑壁纸ipad壁纸

一组用起来很有感觉的电脑壁纸ipad壁纸

炒花蛤

炒花蛤

angelababy清凉性感高清桌面壁纸

angelababy清凉性感高清桌面壁纸

q版大头323032333635插画头像 #一起换头像 #欢 - 抖音

q版大头323032333635插画头像 #一起换头像 #欢 - 抖音

定制亚克力透明长方形五面盒配黑色底板天地盖盒子注塑亚克力盒子

定制亚克力透明长方形五面盒配黑色底板天地盖盒子注塑亚克力盒子