加载中...
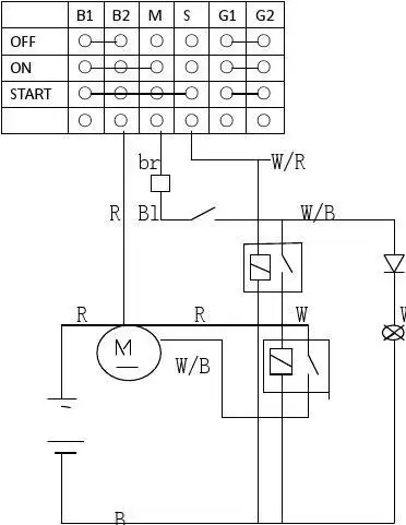
5t合力叉车启动电路故障排除

5t合力叉车启动电路故障排除

图片尺寸 372x481
上传时间 2026-03-12 15:06:59

图片链接

缩略图
原图
外链

相关图片

合力柴油叉车电路图

合力柴油叉车电路图

内燃平衡重叉车横向稳定性控制系统设计 (1)车速信号调理电路

内燃平衡重叉车横向稳定性控制系统设计 (1)车速信号调理电路

一种非接触式电动叉车起重操纵装置

一种非接触式电动叉车起重操纵装置

一种电动叉车操作控制系统的制作方法

一种电动叉车操作控制系统的制作方法

电动叉车电路图

电动叉车电路图

电动叉车控制系统详解带电路图docx

电动叉车控制系统详解带电路图docx

东方红5--10t叉车电路

东方红5--10t叉车电路

合力叉车电路接线图

合力叉车电路接线图

电瓶叉车电路图

电瓶叉车电路图

叉车控制电路图

叉车控制电路图

随机推荐

不尴尬!女生这3个部位出汗居然最性感

不尴尬!女生这3个部位出汗居然最性感

唐三

唐三

戴帽子的年轻女子享受夏日时光举起双手旅行生活方式快乐情感户外度假

戴帽子的年轻女子享受夏日时光举起双手旅行生活方式快乐情感户外度假

照片-正版商用图片11ypkw-摄图新视界

照片-正版商用图片11ypkw-摄图新视界

路晨实力与颜值兼具的人气小花旦

路晨实力与颜值兼具的人气小花旦

水门寺,泰国曼谷的新晋地标,近期上镜率极高.

水门寺,泰国曼谷的新晋地标,近期上镜率极高.

郭冬临老婆到底是谁原来是这位女演员

郭冬临老婆到底是谁原来是这位女演员

中式婚礼新娘红盖头.#婚庆用品 #古风新娘妆 #中式礼服 # - 抖音

中式婚礼新娘红盖头.#婚庆用品 #古风新娘妆 #中式礼服 # - 抖音

霍建华为何不让林心如生二胎?一张住院照曝光,难怪她会断崖衰老

霍建华为何不让林心如生二胎?一张住院照曝光,难怪她会断崖衰老

那么,项链一般都有哪些常见款式?项链款式那么多,我们又该如何挑选?

那么,项链一般都有哪些常见款式?项链款式那么多,我们又该如何挑选?