加载中...
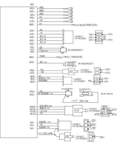
电动叉车自动换挡控制系统及其控制方法与流程

电动叉车自动换挡控制系统及其控制方法与流程

图片尺寸 1000x917
上传时间 2026-03-12 15:08:17

图片链接

缩略图
原图
外链

相关图片

智能无刷电动车控制器接线图.doc

智能无刷电动车控制器接线图.doc

一种电动叉车操作控制系统的制作方法

一种电动叉车操作控制系统的制作方法

东方红5--10t叉车电路

东方红5--10t叉车电路

电瓶叉车电路图

电瓶叉车电路图

叉车电气原理图

叉车电气原理图

电动车控制器接线图

电动车控制器接线图

c620车床电气控制电路 - 电动机控制电路图 - 电子发烧友网

c620车床电气控制电路 - 电动机控制电路图 - 电子发烧友网

电动车控制器接线图

电动车控制器接线图

高标电动车控制器接线图详解

高标电动车控制器接线图详解

电动叉车控制器电路图大全

电动叉车控制器电路图大全

随机推荐

内呈放射状,镶嵌着美丽的彩绘玻璃,因为玫瑰花形而得名

内呈放射状,镶嵌着美丽的彩绘玻璃,因为玫瑰花形而得名

这款韩式纹理太好看了 适合发质粗硬细软,乱中有型暖男发型男士纹理烫

这款韩式纹理太好看了 适合发质粗硬细软,乱中有型暖男发型男士纹理烫

生日蛋糕同城全国配送郑州福州厦门合肥太原长沙青岛重庆贵阳兰州

生日蛋糕同城全国配送郑州福州厦门合肥太原长沙青岛重庆贵阳兰州

情侣卡通头像一左一右 高清好看有爱的卡通情侣头像图片

情侣卡通头像一左一右 高清好看有爱的卡通情侣头像图片

高清4k建筑景观图片欧洲城堡西方古代堡ps设计绘画自媒体背景素材

高清4k建筑景观图片欧洲城堡西方古代堡ps设计绘画自媒体背景素材

女星蔡文静迷人写真

女星蔡文静迷人写真

女人喝红酒的正确喝法

女人喝红酒的正确喝法

情人问候早安动态图片,情人之间问候早安图片-图片大观-奇异网

情人问候早安动态图片,情人之间问候早安图片-图片大观-奇异网

刘岩

刘岩

台湾高雄透天别墅变焦点买气暴增 - 台湾房产网

台湾高雄透天别墅变焦点买气暴增 - 台湾房产网