首页 / 冷干机电路图 / 图片详情
加载中...
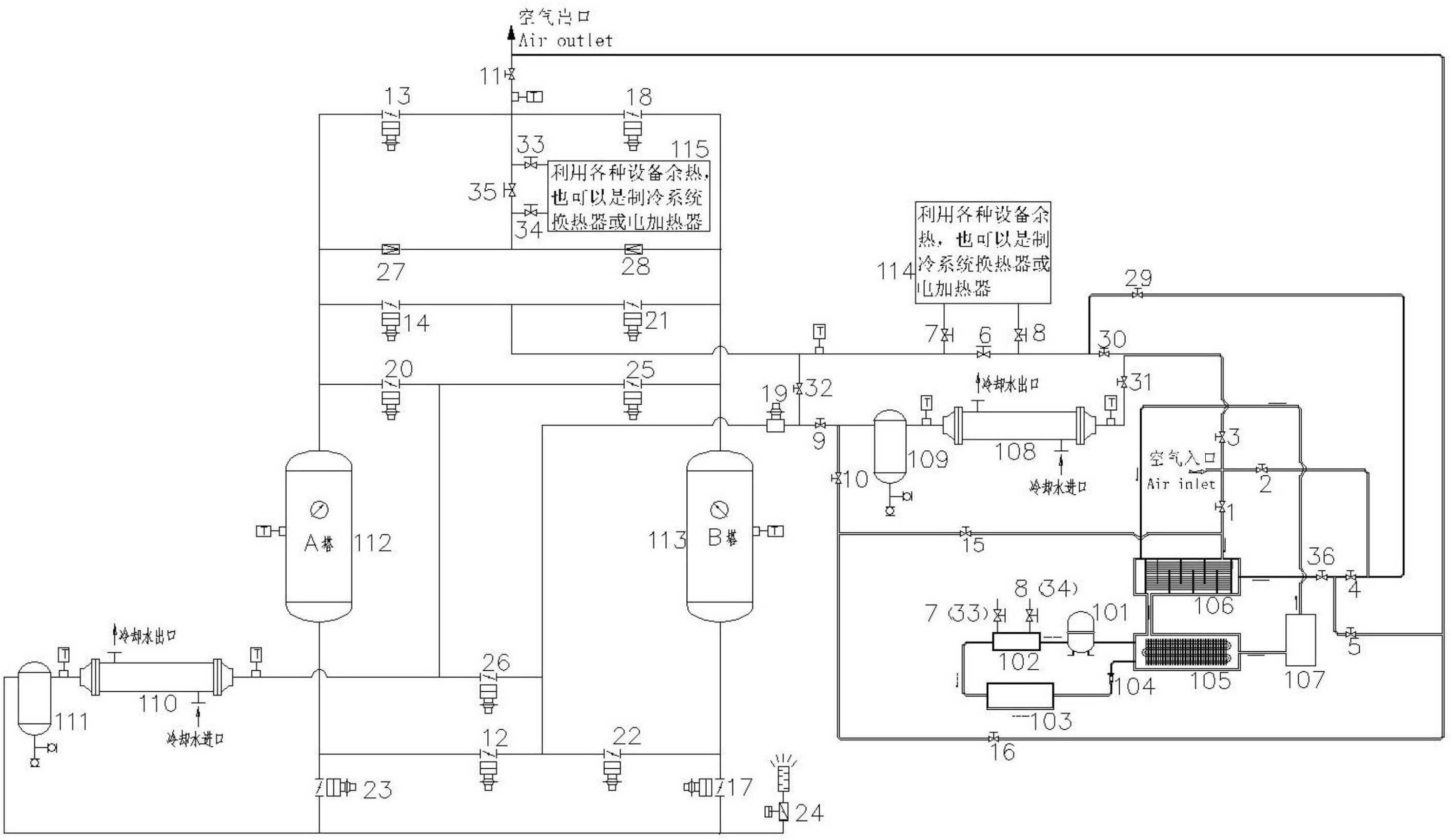
一种多功能组合式低露点干燥机,包括冷干机部分,冷干机部分的制冷系统

一种多功能组合式低露点干燥机,包括冷干机部分,冷干机部分的制冷系统

图片尺寸 2829x1638
上传时间 2026-03-12 06:55:28

图片链接

缩略图
原图
外链

相关图片

石墨舟烘箱电路图

石墨舟烘箱电路图

烘干机电路原理图

烘干机电路原理图

uv干燥机电气原理图

uv干燥机电气原理图

所述主回路中的压缩机,化霜器,风机和冷却水泵分别通过断路器qf1与

所述主回路中的压缩机,化霜器,风机和冷却水泵分别通过断路器qf1与

原糖滚筒干燥机变频控制电路

原糖滚筒干燥机变频控制电路

图4.15 初步完善的冷库控制电路

图4.15 初步完善的冷库控制电路

冷压机电气原理图和接线图

冷压机电气原理图和接线图

orion冷干干燥机接线图(各型号齐全)

orion冷干干燥机接线图(各型号齐全)

科林冷干机电路图_冷干机常见故障视频

科林冷干机电路图_冷干机常见故障视频

图为单相冷干机大致电路,其中启动按钮和停止按钮为冷干机触控面板上

图为单相冷干机大致电路,其中启动按钮和停止按钮为冷干机触控面板上

随机推荐

宋威龙男大十八变

宋威龙男大十八变

卡通手机壁纸宇航员cr一番甜粥

卡通手机壁纸宇航员cr一番甜粥

长相一般的女生,找对了风格堪比换头!

长相一般的女生,找对了风格堪比换头!

椭圆脸男生短发发型设计,脸型图片,发型图片

椭圆脸男生短发发型设计,脸型图片,发型图片

蓝斑珠宝蜥有量可挑

蓝斑珠宝蜥有量可挑

【毛毛 | 李宇琪】20210226 微博/b站生日直播_哔哩哔哩 (゜-゜)つロ

【毛毛 | 李宇琪】20210226 微博/b站生日直播_哔哩哔哩 (゜-゜)つロ

姐妹的来啦原创姐妹三人姐弟三人头像78

姐妹的来啦原创姐妹三人姐弟三人头像78

铁拳7tekken7繁体中文版dlcmod游戏下载

铁拳7tekken7繁体中文版dlcmod游戏下载

广州酒店隔离期间点过的外卖

广州酒店隔离期间点过的外卖

歌在飞

歌在飞