加载中...
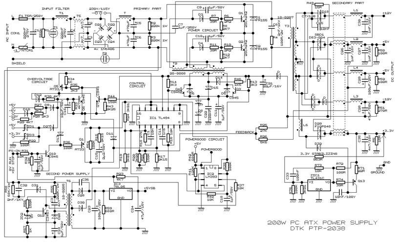
开关电源电路原理(附原理图)

开关电源电路原理(附原理图)

图片尺寸 1392x850
上传时间 2026-03-12 04:43:30

图片链接

缩略图
原图
外链

相关图片

6条原因解释,24v开关电源电路的工作原理

6条原因解释,24v开关电源电路的工作原理

自激振荡型开关电源控制电路工作原理

自激振荡型开关电源控制电路工作原理

开关电源电路

开关电源电路

简单实用的开关电源电路 - 电子发烧友网

简单实用的开关电源电路 - 电子发烧友网

开关电源电路图讲解

开关电源电路图讲解

sg6105tda865开关电源电路原理图

sg6105tda865开关电源电路原理图

开关电源电路图详解电路图设计注意事项

开关电源电路图详解电路图设计注意事项

65w双输出开关电源电路

65w双输出开关电源电路

400w电脑开关电源电路

400w电脑开关电源电路

开关电源原理图-电子电路图,电子技术资料网站

开关电源原理图-电子电路图,电子技术资料网站

随机推荐

劲隆k8jl150-56

劲隆k8jl150-56

海底小纵队:呱唧说起话来,还真像海盗呀,鹦嘴鱼很崇拜它!-母婴亲子视

海底小纵队:呱唧说起话来,还真像海盗呀,鹦嘴鱼很崇拜它!-母婴亲子视

荣耀20首发评测:荣耀首款3200万自拍手机,名不虚传!

荣耀20首发评测:荣耀首款3200万自拍手机,名不虚传!

日本民俗地标国旗插画图案海报贴纸80x55cm墙贴纸卧室家居装饰

日本民俗地标国旗插画图案海报贴纸80x55cm墙贴纸卧室家居装饰

三醋酸真丝缎面吊带连衣裙女夏2021新款法式修身v领丝绸吊带裙

三醋酸真丝缎面吊带连衣裙女夏2021新款法式修身v领丝绸吊带裙

动漫甜酷一左一右闺蜜头像图片_闺蜜姐妹女生头像_头像屋

动漫甜酷一左一右闺蜜头像图片_闺蜜姐妹女生头像_头像屋

e2plus;可不就是和太乙真人的小飞猪有着走到哪里,投到哪里的功能么

e2plus;可不就是和太乙真人的小飞猪有着走到哪里,投到哪里的功能么

喜欢蔡依林25年了,还是被她"卷"到了_造型_jolin_天后

喜欢蔡依林25年了,还是被她"卷"到了_造型_jolin_天后

马克笔敬礼小男孩简笔画

马克笔敬礼小男孩简笔画

这样选择食用油,你的生活会更加美好

这样选择食用油,你的生活会更加美好