首页 / 坏人图片 / 图片详情
加载中...
光头坏人演员排行榜,演坏人的光头明星都有谁?-图片大观-奇异网

光头坏人演员排行榜,演坏人的光头明星都有谁?-图片大观-奇异网

图片尺寸 588x846
上传时间 2026-03-21 09:17:19
关键词 坏人图片

图片链接

缩略图
原图
外链

相关图片

卡通电视坏人简笔画

卡通电视坏人简笔画

坏人专业户演员计春华去世,童年回忆不在!

坏人专业户演员计春华去世,童年回忆不在!

坏人

坏人

卡通坏人

卡通坏人

坏人好人说三道四

坏人好人说三道四

卡通坏人

卡通坏人

坏人

坏人

坏人,刀

坏人,刀

三兄弟演了一辈子坏人堪称国宝级坏蛋可惜再也请不动了

三兄弟演了一辈子坏人堪称国宝级坏蛋可惜再也请不动了

做一个坏人文字图片 我是一个坏人图片_微信头像图片大全

做一个坏人文字图片 我是一个坏人图片_微信头像图片大全

随机推荐

100平日本洗浴中心装修设计图 - 齐装网装修效果图

100平日本洗浴中心装修设计图 - 齐装网装修效果图

危重病人没有核酸报告华西天府医院收先救人

危重病人没有核酸报告华西天府医院收先救人

来和我们一起玩

来和我们一起玩

anglababy杨颖线稿

anglababy杨颖线稿

tfboys南京演唱会门票复制品11比例制作

tfboys南京演唱会门票复制品11比例制作

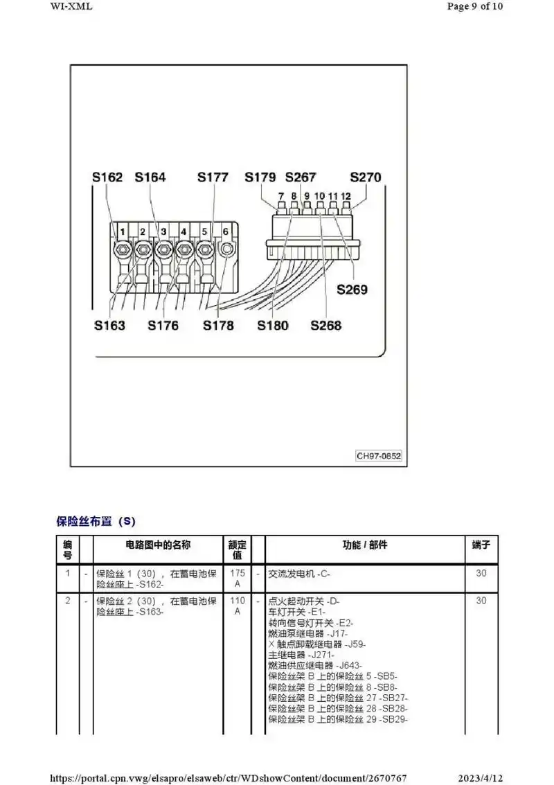
年大众波罗劲情劲取保险丝继电器位置图解及其功能详细说明大众polo

年大众波罗劲情劲取保险丝继电器位置图解及其功能详细说明大众polo

太狠了!日本综艺节目居然这么玩 大尺度网友直呼毁三观

太狠了!日本综艺节目居然这么玩 大尺度网友直呼毁三观

喷火 马自达 rx-7 fc3s

喷火 马自达 rx-7 fc3s

娱乐圈7位短发最好看的女明星你最爱哪款短发

娱乐圈7位短发最好看的女明星你最爱哪款短发

臻爱个性婚纱照-杭州婚纱摄影排名在排行榜前十名哪家好|杭州拍个性

臻爱个性婚纱照-杭州婚纱摄影排名在排行榜前十名哪家好|杭州拍个性