加载中...
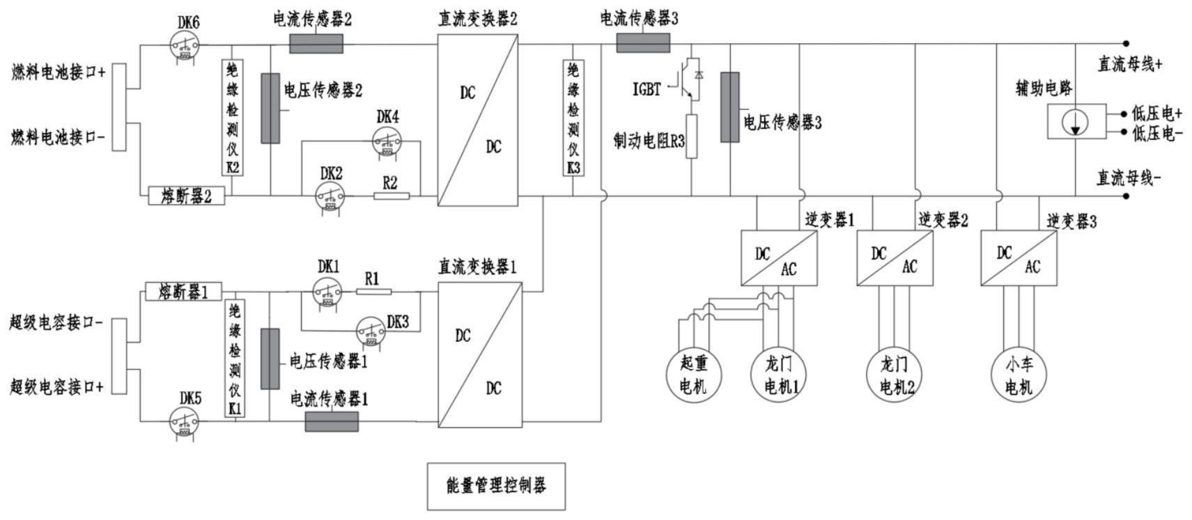
一种燃料电池驱动的龙门吊电路系统及控制方法

一种燃料电池驱动的龙门吊电路系统及控制方法

图片尺寸 1711x747
上传时间 2026-03-17 14:52:01

图片链接

缩略图
原图
外链

相关图片

这是40吨龙门吊的电路图,帮我解释一下

这是40吨龙门吊的电路图,帮我解释一下

求龙门吊或门式起重机100t以下,大车小车的控制电路图.

求龙门吊或门式起重机100t以下,大车小车的控制电路图.

龙门吊电气控制接线图龙门吊电气控制原理图2022已更新今日图集

龙门吊电气控制接线图龙门吊电气控制原理图2022已更新今日图集

桥式吊钩起重机电气控制

桥式吊钩起重机电气控制

内容包括:plc输入电路图,plc输出控制电路图,电气系统图等.

内容包括:plc输入电路图,plc输出控制电路图,电气系统图等.

龙门吊电葫芦上下左右控制电路行程保护电工一看就懂

龙门吊电葫芦上下左右控制电路行程保护电工一看就懂

工程门式起重机电气控制系统

工程门式起重机电气控制系统

桥式起重机电气原理图

桥式起重机电气原理图

门式起重机电气系统设计

门式起重机电气系统设计

吨吊车电路图纸

吨吊车电路图纸

随机推荐

女司机穿高跟鞋是怎么开车的不吹不黑视频为证

女司机穿高跟鞋是怎么开车的不吹不黑视频为证

大中国简谱 54 2008-08-23 求琵琶曲《欢沁》的谱子!

大中国简谱 54 2008-08-23 求琵琶曲《欢沁》的谱子!

【冯巩简介选自网络】 冯 - 抖音

【冯巩简介选自网络】 冯 - 抖音

逃学威龙2:星爷得罪牧师,被绑十字架!_腾讯视频

逃学威龙2:星爷得罪牧师,被绑十字架!_腾讯视频

搞笑gif:来啊 小子 来来 你敢过来不

搞笑gif:来啊 小子 来来 你敢过来不

奔走相告一下,周深官宣加盟《舞台2023》

奔走相告一下,周深官宣加盟《舞台2023》

美女艺人李晟优雅知性时尚写真

美女艺人李晟优雅知性时尚写真

《魔道祖师》当魏无羡生了孩子,画风是这样的,忘机如何招架?

《魔道祖师》当魏无羡生了孩子,画风是这样的,忘机如何招架?

2019年11月9-10号双十一敬献青岛站《八卦灵数*财富之道》

2019年11月9-10号双十一敬献青岛站《八卦灵数*财富之道》

原神甘雨同人壁纸

原神甘雨同人壁纸