首页 / 绘画素材动作 / 图片详情
加载中...
绘画参考素材#人物动作

绘画参考素材#人物动作

图片尺寸 690x438
上传时间 2026-03-12 16:24:03

图片链接

缩略图
原图
外链

相关图片

动漫绘画##绘画参考素材##轻微课干货教程

动漫绘画##绘画参考素材##轻微课干货教程

绘画超话#绘画参考##绘画素材#cp不同动作参考

绘画超话#绘画参考##绘画素材#cp不同动作参考

人物动态姿势的画法,让你真的涨姿势!_绘画

人物动态姿势的画法,让你真的涨姿势!_绘画

画画素材|动作模板2来啦!

画画素材|动作模板2来啦!

点赞  评论  双人之间的绘画素材[em]e400217[/em],情侣间的亲密动

点赞 评论 双人之间的绘画素材[em]e400217[/em],情侣间的亲密动

【绘画素材】各种友爱的牵手姿势,你值得拥有!

【绘画素材】各种友爱的牵手姿势,你值得拥有!

【绘画素材】人物动态姿势参考素材!#绘画素材 #板绘 #插画 - 抖音

【绘画素材】人物动态姿势参考素材!#绘画素材 #板绘 #插画 - 抖音

【#绘画素材#】一组有互动的动作模板99 咸鱼酱日常素材同步裙

【#绘画素材#】一组有互动的动作模板99 咸鱼酱日常素材同步裙

绘画素材 #插画  - 抖音

绘画素材 #插画 - 抖音

绘画线稿参考 今日分享一波甜甜的情侣cp线稿素材 每一个动作都很甜呀

绘画线稿参考 今日分享一波甜甜的情侣cp线稿素材 每一个动作都很甜呀

随机推荐

工藤新一.#工藤新一 #名侦探柯南   一些喜欢的图片  : - 抖音

工藤新一.#工藤新一 #名侦探柯南 一些喜欢的图片 : - 抖音

权志龙橘红色头发图片自嘲变身为突变体

权志龙橘红色头发图片自嘲变身为突变体

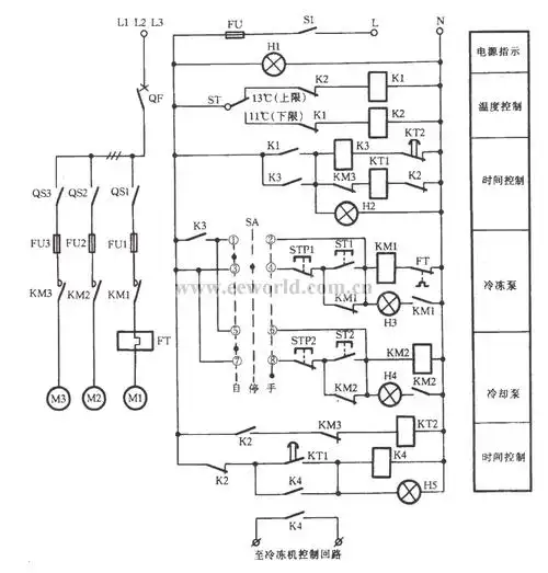
冷冻机与冷却泵联锁控制电路

冷冻机与冷却泵联锁控制电路

【画画约稿白菜价】漫画头像卡通q版闺蜜情侣可爱照片改到满意

【画画约稿白菜价】漫画头像卡通q版闺蜜情侣可爱照片改到满意

凯迪拉克车标

凯迪拉克车标

2020休闲相聚苏州温德姆酒店

2020休闲相聚苏州温德姆酒店

thenine就是最棒的,心有多坚定,梦想多远都能抵达

thenine就是最棒的,心有多坚定,梦想多远都能抵达

可爱小企鹅 gif动态图

可爱小企鹅 gif动态图

世锦赛中国女排16强复赛赛程出炉 暂列e组第二位

世锦赛中国女排16强复赛赛程出炉 暂列e组第二位

春秋战国单系波纹线条灰陶罐

春秋战国单系波纹线条灰陶罐