加载中...
树,在我们生活中随处可见,但却充满了各种各样的传奇神秘色彩.

树,在我们生活中随处可见,但却充满了各种各样的传奇神秘色彩.

图片尺寸 640x480
上传时间 2026-03-13 04:10:55

图片链接

缩略图
原图
外链

相关图片

学校各种各样的树突然发现拍了这么多

学校各种各样的树突然发现拍了这么多

各种各样的多彩的白杨树

各种各样的多彩的白杨树

额济纳胡杨林各种各样的树木拍了太多都很好看精挑细选12张

额济纳胡杨林各种各样的树木拍了太多都很好看精挑细选12张

美图:一组奇形怪状的树木图片,让人不得不赞叹植物的顽强生命力

美图:一组奇形怪状的树木图片,让人不得不赞叹植物的顽强生命力

各种各样的树/小朋友的大问号

各种各样的树/小朋友的大问号

小制作,这里风景优美,尤其是那些各种各样的树很独特,有魅力,欢迎各位

小制作,这里风景优美,尤其是那些各种各样的树很独特,有魅力,欢迎各位

夏威夷的各种各样的大树们太爱了

夏威夷的各种各样的大树们太爱了

往日行走天地间,见过各种各样的树木,但没太在意它们,近日游走网络

往日行走天地间,见过各种各样的树木,但没太在意它们,近日游走网络

各种各样的"棕榈科"树.

各种各样的"棕榈科"树.

各式各样的大树,你能认出几棵?

各式各样的大树,你能认出几棵?

随机推荐

世界上女的最胖的照片(世界上最丑照片女)-第2张图片-三伊五奇闻网

世界上女的最胖的照片(世界上最丑照片女)-第2张图片-三伊五奇闻网

主题:开心超人,点击看伽罗官方拟人 [68]收藏该贴已收藏只看楼主

主题:开心超人,点击看伽罗官方拟人 [68]收藏该贴已收藏只看楼主

第五套人民币2005年旧版100元正反面高清图片手机壁纸(2)

第五套人民币2005年旧版100元正反面高清图片手机壁纸(2)

四开接纸人物写生示范

四开接纸人物写生示范

纯白创意唯美高清桌面壁纸

纯白创意唯美高清桌面壁纸

刘德华my love演唱会线上重映,哽咽再唱17岁

刘德华my love演唱会线上重映,哽咽再唱17岁

剧中古惑仔打架比人多合集

剧中古惑仔打架比人多合集

干湿球温度,湿度换算表

干湿球温度,湿度换算表

实拍实价150小个子深蓝色牛仔裙半身裙女遮胯显瘦a字裙春夏季 - 17网

实拍实价150小个子深蓝色牛仔裙半身裙女遮胯显瘦a字裙春夏季 - 17网

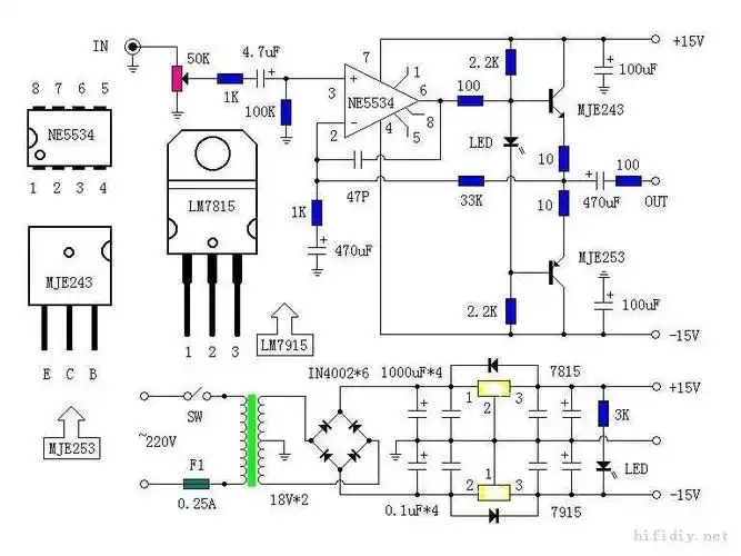
关于1969电路图

关于1969电路图